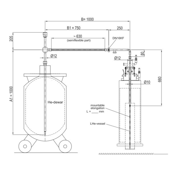
液氦软管——液氦传输管道是用于液氦杜瓦传输低温液氦的专用真空软管及真空硬管系统,其具有高真空,保温性强的特点,针对超低温液位的传输具有漏率低效率高的特点。主要适用于液氦,或者液氮的超低温液体传输。液氦杜瓦与杜瓦之间的液体传输,杜瓦向设备内部的控制性传输等操作。

液氦专用管路,具有更高的传输效率
管路具有更低的热损耗
降低气压损耗
根据使用需要可设计各种外形尺寸的传输管道
优化尺寸设计
自动控制阀门及手动控制开关及流量阀门
各种拓展零件
配套手动液氦截至阀调节液体流量



可以根据用户现场情况定制
专用于液氦传输的液氦/液氮传输管输液管以极高的低温传输性能, 广泛应用于国内各大实验室及超导磁体行业.
1. 高真空多层绝热管道设计结构有效杜绝了热量的对流、传导和幅射。
2. 内外管之间采用了多层结构,使用了反射屏铝箔等,热辐射造成的辐射传热对内管的低温液体影响降到了最低。
3. 高真空多层绝热管道的内、外管之间采用支撑和衬环支持;各传输管单元之间采用特殊封头连接,这种回廊式结构有效阻止了内管和外管之间的热传导。



液氦传输管路是用来传输液氦的柔性传输管线,可用来高效传输低温液氦。
该系列管线有多种配置,可满足从实验室研究到工业生产的灌装和分配。可根据客户要求定制各种尺寸规格,内径可从1 / 8″至2″,最长长度可达100英尺。
主要用来从大型液氦杜瓦瓶传输液氦至小型液氦杜瓦瓶,或者从用液氦杜瓦瓶为核磁做补液使用。根据客户具体用途定制柔性管路和硬管具体长度。
